涂裝是現代產品制造工藝中的一個重要環節。涂裝的過程中,使用到的油漆輔料等,在噴涂和干燥成膜的過程中,會揮發出有機化合物,在生產場所的環境造成污染,并對員工的身體健康造成不好的影響。
含硅廢氣一直都是業內一難題,有機硅不溶于水,無法用洗滌塔這種傳統方式治理,有機硅在高溫條件下與氧氣反應產生二氧化硅結晶體,這種結晶體很容易造成催化劑表面微孔的堵塞而失活,所以不適合使用催化劑,這種結晶體同樣會堵塞RTO里面的陶瓷蓄熱體。因此,RTO焚燒工藝也不適合使用。本文采用沸石轉輪+TO直燃爐工藝處理此類廢氣,取得比較理想的效果。
一、VOCs治理方法概述
目前,針對揮發性有機物的末端治理方法主要有:吸附法、吸收法、生物降解法、冷凝法和燃燒法。考慮項目建設投入、處理效果及經濟適用性,針對本案所提及的大風量、低濃度的含硅廢氣,采用濃縮之后再直燃式焚燒的組合工藝。
二、沸石轉輪+TO直燃爐工藝
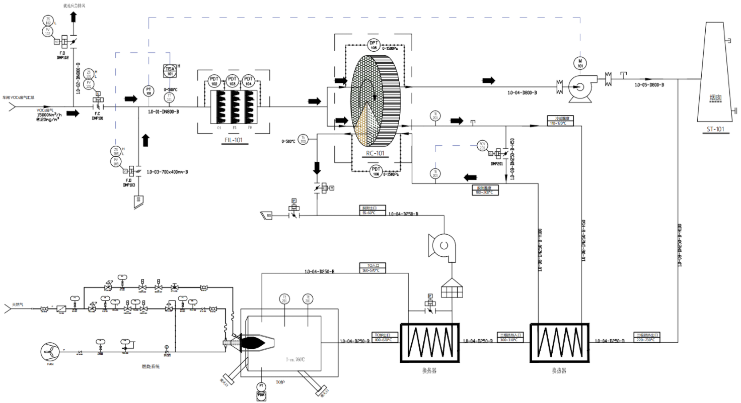
在有機廢氣治理行業中,將質量濃度低于1000mg/m3的有機廢氣統稱為低濃度有機廢氣。對于低濃度有機廢氣的治理,沸石轉輪濃縮+TO工藝得到廣泛應用,即采用疏水性沸石分子作為吸附劑將廢氣中的低濃度的VOCs吸附下來,使廢氣凈化后排放,經一段時間的吸附后,沸石分子達到飽和狀態,再用熱空氣對沸石分子進行脫附解吸,形成小風量、高濃度的有機廢氣,再進行高溫分解無害化處理。
這種工藝凈化效率高,設備運行穩定,后期維護簡單方便,但對工藝設計要求也相對較高。
2.1-沸石轉輪濃縮技術
沸石轉輪濃縮是一種應用于大風量、低濃度的有機廢氣凈化技術,沸石轉輪主體為一個裝滿沸石分子篩的旋轉輪,根據其在實際工作中的狀態,沸石轉輪分為吸附區、脫附區及冷卻區。
沸石分子篩是沸石轉輪的核心,本身作為一種疏水性材料,能適應更高的廢氣濕度,且有耐高溫的特性,區別于活性炭這種廣譜吸附劑,其具有較為均一的吸附孔徑,故其孔洞直徑具有“分子篩分”的作用,具有選擇吸附性,更加安全可靠。
沸石轉輪濃縮吸附是一個不斷循環往復的旋轉過程,從生產車間收集的廢氣,經過過濾器過濾后,進入到沸石轉輪的吸附區,有機廢氣在主風機的作用下,通過轉輪的吸附區本體,廢氣中的有機成分被吸附在分子篩內從而截留下來,干凈的氣體經煙囪排出。沸石轉輪繼續轉到脫附區,截留在分子篩內的有機物,在此區域內被180~220℃的高溫氣體“蒸”出,帶出轉輪,在脫附區吸附飽和的分子篩得到“重生”,但此時高溫的輪體仍未恢復完全的吸附作用,轉輪需要繼續旋轉到冷卻區,在冷卻區高溫干凈的輪體,與過濾后的室外新風進行換熱,使輪盤的溫度下降至40℃以下,從而具備重新轉入下一個循環的吸附條件,同時在換熱過程中對脫附的熱風進行了一次溫度提升,為脫附風的快速升溫提供條件,同時起到節約能源的效果。沸石轉輪就是這樣不斷循環往復地重復著“吸附-脫附-冷卻”的過程,實現有機廢氣處理的功能。
2.2-TO直燃爐
本文所提及的廢氣為含硅廢氣,由于有機硅在高溫的條件下容易與氧氣反應形成二氧化硅結晶體,這種結晶體容易堵塞催化劑表面微孔,致使催化劑物理失活;同時這種結晶體也能堵塞陶瓷蓄熱體的廢氣孔道,一方面影響廢氣的通過效率,同時又降低了陶瓷蓄熱體的換熱效率,所以上述含硅廢氣的處理,既不適用催化氧化法,也不適用蓄熱焚燒法,這樣一來TO直燃爐成為適用的處理工藝。
三、結論
針對本文所述的大風量低濃度混合型的有機含硅廢氣,沸石轉輪吸脫附+TO直燃爐具有高效、安全、經濟的特點,對廢氣中苯系物、酯類、醇類物質的吸附效率可達90%~97%。沸石轉輪分子篩材質不可燃、安全性好,可在高溫下進行脫附再生。
鑫藍環保科技(昆山)有限公司多年來專注于沸石轉輪+TO直燃爐設計、制造和安裝。我們產品有RTO蓄熱焚燒、RCO蓄熱催化燃燒、有機廢氣處理設備、冷凝回收、防爆除塵器、酸堿廢氣處理、濾筒除塵器、布袋除塵器、單機除塵器、倉頂除塵器、旋風除塵器、噴淋塔、活性炭吸附箱、靜電除油設備等等。
詳情請撥打24小時技術服務熱線:180-6841-2162
或訪問鑫藍環保官網:m.tnnpjgov.cn
鑫藍環保微信公眾號:ksxinlan
![]()

鑫藍環保科技(昆山)有限公司
服務熱線:4008-616-212
電話:0512-55186759
E-mail:ycw26688@126.com
地址:昆山市千燈鎮紅星路20號
